Каталог товаров
- Главная
- Задвижки фланцевые
- Задвижка чугунная 30ч39р аналог МЗВ Ду 50 Ру16 XKprom
Задвижка чугунная 30ч39р аналог МЗВ Ду 50 Ру16 XKprom
- Обзор
- Характеристики
- Отзывы0
- Техническая информация
- Техническая документация
Описание задвижки чугунной 30ч39р аналог МЗВ Ду 50 Ру16 XKprom
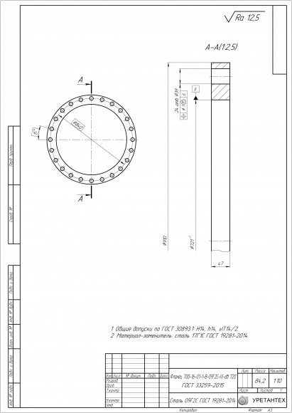
Задвижка чугунная 30ч39р (аналог МЗВ) — это клиновая запорная арматура с обрезиненным клином и невыдвижным шпинделем, предназначенная для перекрытия потока воды в трубопроводных системах. Модель от производителя XKprom (Китай) аналогична продукции (МЗВ). Задвижка имеет фланцевое соединение, ручное управление с закрытой гайкой и обрезиненный клин для обеспечения полной герметичности. Подходит для систем водоснабжения, отопления и канализации, где рабочая среда — вода (питьевая или оборотная). Условный проход (DN) — 50 мм, номинальное давление (Ру) — 16 бар (1,6 МПа).
Ключевые особенности:
Обрезиненный клин для надежной герметичности и предотвращения заклинивания.
Невыдвижной шпиндель с закрытой гайкой, что упрощает монтаж в ограниченном пространстве.
Корпус из высокопрочного чугуна (ВЧ40 GGG40) с антикоррозионным покрытием.
Фланцевое соединение по ГОСТ 33259-2015 для легкой установки.
Полная герметичность класса A по ГОСТ Р 54808-2011 в открытом и
Задвижка чугунная 30ч39р (аналог МЗВ) — это клиновая запорная арматура с обрезиненным клином и невыдвижным шпинделем, предназначенная для перекрытия потока воды в трубопроводных системах. Модель от производителя XKprom (Китай) аналогична продукции (МЗВ). Задвижка имеет фланцевое соединение, ручное управление с закрытой гайкой и обрезиненный клин для обеспечения полной герметичности. Подходит для систем водоснабжения, отопления и канализации, где рабочая среда — вода (питьевая или оборотная). Условный проход (DN) — 50 мм, номинальное давление (Ру) — 16 бар (1,6 МПа).
Ключевые особенности:
Обрезиненный клин для надежной герметичности и предотвращения заклинивания.
Невыдвижной шпиндель с закрытой гайкой, что упрощает монтаж в ограниченном пространстве.
Корпус из высокопрочного чугуна (ВЧ40 GGG40) с антикоррозионным покрытием.
Фланцевое соединение по ГОСТ 33259-2015 для легкой установки.
Полная герметичность класса A по ГОСТ Р 54808-2011 в открытом и
| Давление, кгс/см2* | 16 |
| Бренд | XK |
| Диаметр, мм | 50 мм |
| высота | 330 |
| Исполнение | Ручной |
| Материал | Чугун высокопрочный |
| Масса, кг | 6 кг |

















































































